| 操作 (operation) |
数量 (quantity) |
零件编号 (number) |
零件品号 (Product number) |
零件名称 (Product name) |
2290 用量 (Number of 2290 used) |
|---|---|---|---|---|---|
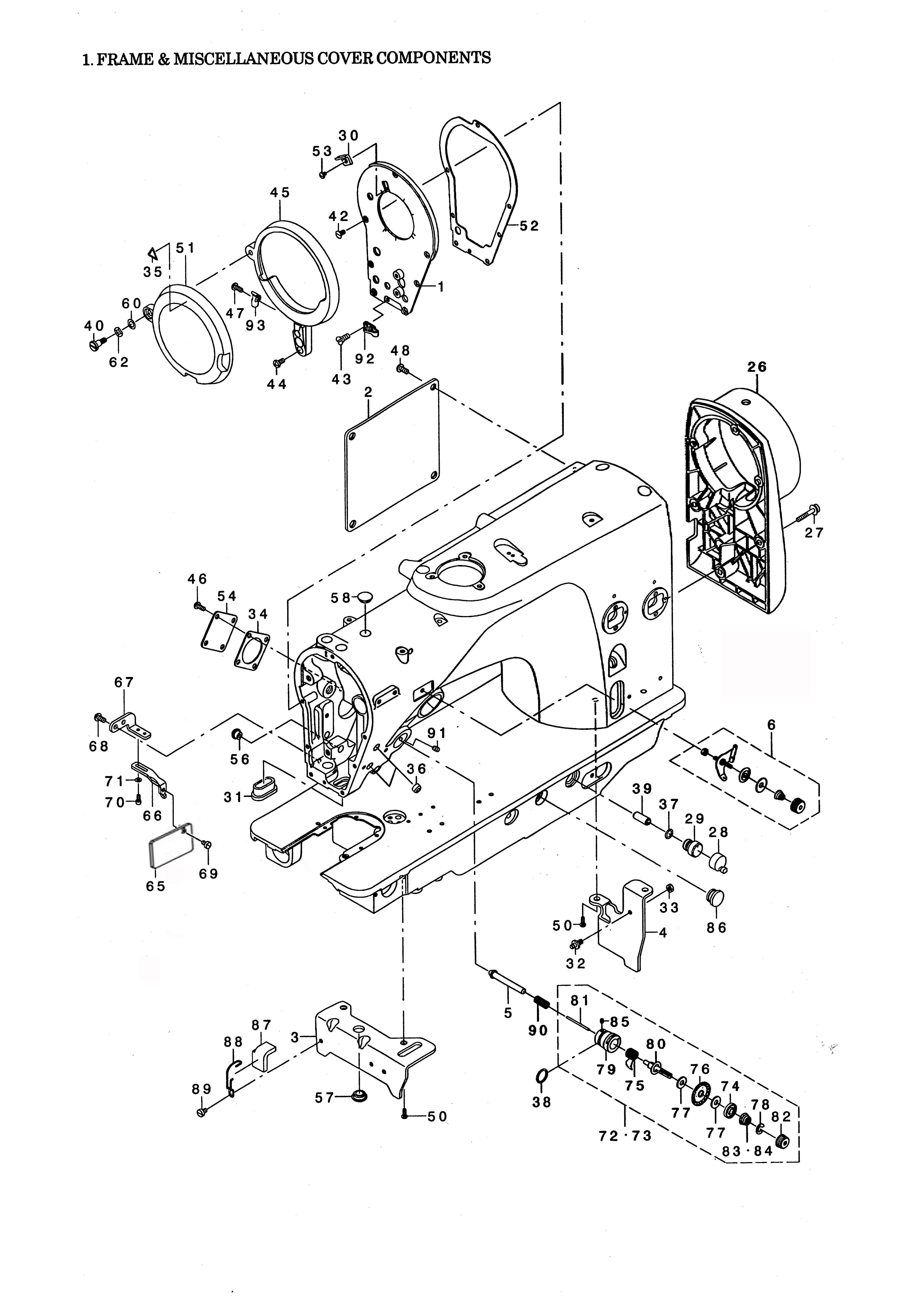
| 01 | PF22840103 | 面板组件 FACE PLATE COMPL. | 1 | ||
| 02 | PF22900102 | 后盖板 SIDE PLATE | 1 | ||
| 03 | PF22900103 | 前支脚 BED SUPPORT PLATE | 1 | ||
| 04 | PF22900104 | 后支脚 BED SUPPORT PLATE B | 1 | ||
| 05 | PF22900105 | 松线杆 THREAD RELEASE AUXILIARY PIN | 1 | ||
| 06 | PF22840124 | 中过线器组件 PRK-TENSION CONTROLLER ASM. | 1 | ||
| 26 | PF22900126 | 后罩 PULLEY COVER | 1 | ||
| 27 | PF1900A0256 | 后罩螺钉 BOLT | 4 | ||
| 28 | PF22900128 | 橡胶盖 AIR-DISCHARGING CAP | 1 | ||
| 29 | PF22900129 | 透气阀 AIR-DISCHAKGING | 1 | ||
| 30 | PF22840117 | 面板刀片 TAKE-UP THREAD CUTTER | 1 | ||
| 31 | PF2284014701 | 摆动架槽框 ARM OIL SHIELD | 1 | ||
| 32 | PF22900132 | 复位螺钉 SUSPENSION SCREW | 1 | ||
| 33 | BF700N03 | 复位螺母 NUT 11/64-40 | 1 | ||
| 34 | PF22840106 | 密封垫片 GASKET | 1 | ||
| 35 | / | 警告牌 ATTENTION SEAL | 1 | ||
| 36 | PF22840136 | 油塞 DRIV1NG STOPPER RUBBER | 2 | ||
| 37 | PF22900137 | 透气阀O型圈 RUBBER RING | 1 | ||
| 38 | PF22900138 | 夹线器O型圈 RUBBER RING | 1 | ||
| 39 | PF22900139 | 透气阀弹簧销 SPRING PIN 8X20 | 1 | ||
| 40 | PF22840129 | 护盖罩窗螺钉 HINGE SCREW D= 6.35 H= 7.5 | 1 | ||
| 42 | PF5550637 | 面板螺钉 SCREW 11/64-40 L=8 | 7 | ||
| 43 | PF22840133 | 导线架螺钉 SCREW 9/64-40 L=7.2 | 1 | ||
| 44 | PF22840132 | 护盖螺钉 SCREW 11/64-40 L=9 | 2 | ||
| 45 | PF22840107 | 挑线盘防护盖 BALANCE COVER BASE | 1 | ||
| 46 | PF5550230 | 螺钉 SCKEW 3/16-28 L=IO | 4 | ||
| 47 | PF5550230 | 护盖弹簧片螺钉 SCREW 3/16-28 L=6 | 1 | ||
| 48 | PF555016 | 后盖板螺钉 SCREW 3/16-28 L=10 | 4 | ||
| 50 | PF7810239 | 前支脚螺钉 SCREW 15/64 -28 L=9 | 4 | ||
| 51 | PF22840108 | 挑线盘防护罩组件 BALANCE COVER | 1 | ||
| 52 | PF22840104 | 面板垫 FACE PLATE PACKING | 1 | ||
| 53 | PF22840128 | 面板刀片螺钉 SCREW 1/8-44 L= 3.8 | 1 | ||
| 54 | PF22840105 | 油窗板 THREAD RELEASE WINDOW PLATE | 1 | ||
| 56 | PF22900156 | 摆动架销油塞 PLUG D=8 L=4.5 | 1 | ||
| 57 | PF22900157 | 油塞 RUBBER PLUG D=12.5 L=4 | 1 | ||
| 58 | PF22900158 | 顶油塞 RUBBER PLUG D=12.5 L=4 | 3 | ||
| 60 | PF22840131 | 护盖罩窗垫片 WASHER 6.5X11X1 | 1 | ||
| 62 | PF22840130 | 护盖罩窗弹簧片 WAVED WASHER 6.4X11X0.3 | 1 | ||
| 65 | PF22900165 | 护目镜 SAFETY PLATE | 1 | ||
| 66 | PF22900166 | 护目镜安装支架 SUPPORT BALANCE BASE | 1 | ||
| 67 | PF22900167 | 护目镜安装板 MOUNTING BASE | 1 | ||
| 68 | PF22840304 | 螺钉 SCREW 11/64-40 L=9 | 1 | ||
| 69 | PF5550312 | 螺钉 SCREW 9/64-40 L= 5.0 | 1 | ||
| 70 | PF555068 | 螺钉 SCREW 1/8-40 L=7 | 1 | ||
| 71 | / | 垫片 WASHER 3.3X6X0. 5 | 2 | ||
| 72 | PF22900172 | 夹线器组件 THREAD TENSION ASM. A | 1 | ||
| 73 | PF22900173 | 夹线器组件 THREAD TENSION ASM. B | 1 | ||
| 74 | PF22900174 | 松线板 TENSION DISC HOLDER | 1 | ||
| 75 | PF22900175 | 挑线簧 THREAD TAKE-UP SPRING | 1 | ||
| 76 | PF22900176 | 夹线板组件 THREAD TENSION T COMPL. | 1 | ||
| 77 | PF22900177 | 夹线板组件 FELT | 4 | ||
| 78 | PF22900178 | 夹线螺母制动垫圈 ROTATION STOPPER | 1 | ||
| 79 | PF22900179 | 夹线器座组件 THREAD TENSION ROD BASE ASM. | 1 | ||
| 80 | PF22900180 | 夹线螺钉组件 THREAD TENSION ROD COMPL. | 1 | ||
| 81 | PF22900181 | 松线钉 THREAD RELEASE PIN | 1 | ||
| 82 | PF22900182 | 夹线螺母 THREAD TENSION NUT | 1 | ||
| 83 | PF22900183 | 夹线簧 TENSION SPRING | 1 | ||
| 84 | PF22900184 | 夹线黄 TENSION SPRING | 1 | ||
| 85 | PF22900185 | 夹线螺钉固定螺钉 SCREW 9/64-40 L= 5.5 | 1 | ||
| 86 | PF22840115 | 橡皮塞 RUBBER PLUG | 1 | ||
| 87 | PF22900187 | 毛毡 FELT | 1 | ||
| 88 | PF22900188 | 压簧 FELT PRESSER | 1 | ||
| 89 | PF5550317 | 螺钉 SCREW 11/64-40 L=6 | 1 | ||
| 90 | PF22900190 | 松线杆复位弹簧 THREAD RELEASE PIK SPRING | 1 | ||
| 91 | PF20521123 | 夹线器固定螺钉 SCREW ll/64-40 L= 6.5 | 1 | ||
| 92 | PF22840114 | 导线架 BALANCE THREAD GUIDE B | 1 | ||
| 93 | PF22840109 | 护盖弹簧片 BALANCE COYER STOPPER SPRING | 1 |
